
产品综述
SDS3000系列超级荧光示波器,最大带宽为1GHz,采样率4GSa/s,采用独创的SPO技术,支持高刷新、256级波形辉度等级及色温显示、数字触发和深存储特性;采用Windows操作系统和10.1英寸触摸屏;支持丰富的智能触发、串行协议触发和解码;支持历史采集(History)、顺序采集(Sequence)和波形搜索(WaveScan);具备丰富的测量和数学运算功能;支持16通道的数学逻辑分析;集成25MHz DDS信号发生器。是一款性能先进的高端示波器。
SDS3000系列的4大特点:
1、高指标
l 带宽高达1GHz
l 实时采样率高达4G Sa/s
l 存储深度达10Mpts/CH
l 波形捕获率高达250,000帧/秒
2、技术创新(SPO)
l 高波形捕获率
l 实时波形录制以及回放,分析功能
l 256级波形辉度和色温显示
l 采用windows操作系统,支持键鼠控制
3、应用广泛
l 丰富的触发和参数自动测量功能
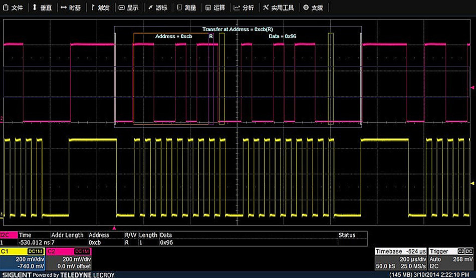
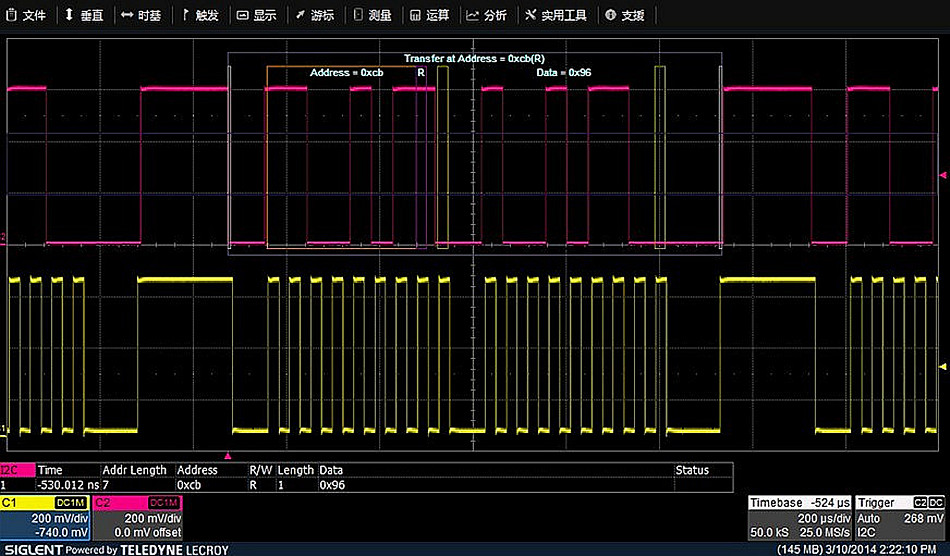
l 提供IIC,SPI,RS232,CAN,LIN等总线的触发和解码功能
l 先进的波形运算功能
l 标配有丰富的外围接口
l 提供多种探头及附件
4、外观新颖
l 采用10.1英寸触摸屏(分辨率1024*600)
l 更窄的深度,减少桌面应用
l 重量轻,便携
设计特色:
1、 波形捕获率高达250,000帧/秒

超高的波形捕获率使示波器能轻松捕获到异常事件或低概率事件。
2、256级辉度显示

SPO显示技术是高刷新率和多帧叠加的结果,在单位时间内,当某一像素点上出现的波形概率越高,该像素点就越亮,反之越暗。
3、 最大存储深度达10Mpts/s

在运行状态时,处理器可以读取不压缩的10Mpts原始采集点用于测量,通过协处理器加速测量过程,无论是stop还是run状态都可以对10Mpts点进行高速的测量分析。
4、10.1英寸触摸屏

方便、快捷的触摸屏操作,使工程师的工作效率更高,通过在屏幕画一个区域可以激活波形缩放,波形的垂直偏移、水平延迟、光标的移动及其他设置都可以通过触摸屏完成。
5、丰富的触发功能

具有丰富的触发功能,包括边沿,脉宽,判定合格,逻辑图,TV,窗口,间隔,漏失,欠幅,斜率,IIC,SPI,UART/RS232,LIN,CAN。
6、串行总线解码

7、历史波形记录(History)模式

回放历史波形观察异常事件,通过光标或测量参数快速定位问题来源,键盘面板上的“History”按键可以快速启动此功能。
8、分段存储(Sequence)采集模式

将波形储存空间分成多段,每段空间存储一个触发帧,最大可以采集1000个触发事件,记录并提供每一次的采样时间和死区时间,两帧之间的最小死区时间为1us,其等效刷新率可达100万帧/秒。
9、波形搜索(WaveScan)技术

WaveScan提供强大的波形隔离能力,这是硬件触发所不具备的,在单次捕获中,WaveScan提供异常波形定位能力,或在很长时间内,对多次采集的波形进行扫描,通过对捕获的异常进行Zoom放大,使工程师更清楚地了解异常情况,用户可以设置边沿模式、非单调模式、欠幅、测量参数、串行模式、总线模式等,在这些搜索条件中,工程师总能找到合适的搜索条件,在海量信息中快速搜索出需要关注的波形,从而快速定位问题。
10、全面直观的测量统计

具备全面、直观的测量功能,对每一种测量参数提供七种统计值:当前值,平均值, 最小值, 最大值, 标准方差,样本数和直方图显示,并且最多可执行六种不同的测量参数。
11、强大的数学运算

支持对已运算的波形进行再运算,极大地方便了用户分析波形。
12、DDS信号发生器

配置了DDS信号发生器,可输出正弦波、方波、脉冲波、直流信号、噪声及任意波,最高输出频率可达25MHz。
13、多达20个通道:4个模拟通道+16个数字通道(MSO)

14、基于Windows系统和LeCroy成熟的软件平台,可直观查看数字通道的运用状态,用户可选用三种查看方式和自定义标签设置(MSO)

15、数字通道提供多种逻辑电平的选择,用户可根据实际情况灵活选用(MSO)

16、数字通道支持串行总线的触发和解码,其人性化的交互界面让数据分析更得心应手,解码数据支持二进制、十进制和ASCII码的形式查看(MSO)

数字通道支持的触发类型:边沿、脉宽、判定合格、逻辑图、间隔、漏失、IIC、SPI、UART/RS232、LIN、CAN等。
17、丰富的外围接口

4*USB Host,SD卡,USB Device,LAN,AUX out (Pass/Fail, Trigger Out),EXT TRIG,标准D型15针SVGA接口(分辨率1024*600),16通道逻辑和1KHz校准信号接口。








